Главная > Подшипники> Роликовые > Радиально-упорные>17580R/17520

17580R/17520 — Подшипник роликовый радиально-упорный, импортное производство по ISO стандарту, размер 15x42x16 номер основного исполнения .
Производитель: KOYO.
R = Наружное кольцо с фланцем .
Цена от:1 171 р.
Цена на подшипник зависит от:
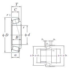
Габаритные размеры
Размеры и геометрические характеристики
Нагрузка и ресурс
Защита
Коэффициенты для расчета
Присоединительные размеры
Конструкция и исполнение
Однорядный конический роликовый подшипник 17580/17520 (CX, FBJ, ISO, NIS, NSK)
Однорядный конический роликовый подшипник 17580/17520B (TIMKEN)
Однорядный конический роликовый подшипник 4T-17580/17520 (NTN)