Главная > Подшипники> Роликовые > Радиально-упорные>1755/1729

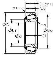
1755/1729 — Однорядный конический роликовый подшипник, импортное производство по ISO стандарту, размер 22x56x19 номер основного исполнения .
Производится брендами: AST, CX, FBJ, ISO, KOYO, NIS, NSK, TIMKEN.
Цена от:1 648 р.
Цена на подшипник зависит от:
Габаритные размеры
Размеры и геометрические характеристики
Нагрузка и ресурс
Защита
Коэффициенты для расчета
Присоединительные размеры
Конструкция и исполнение
Прочие характеристики
Подшипник роликовый игольчатый 914904 Ю2С21 (ГПЗ-3)
Подшипник роликовый игольчатый 914904 К1 (ГПЗ-3)
Подшипник роликовый игольчатый 914904 К1С21 (ГПЗ-3)
Конический роликоподшипник 1755/1729X (TIMKEN)
Однорядный конический роликовый подшипник 1755/1729-B (TIMKEN)
Конический роликоподшипник 4T-1755/1729 (NTN)