Главная > Подшипники> Роликовые > Радиально-упорные>16150/16282

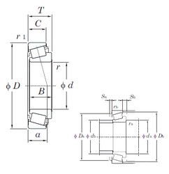
16150/16282 — Однорядный конический роликовый подшипник, импортное производство по ISO стандарту, размер 38x72x19 номер основного исполнения .
Производится брендами: CX, FBJ, ISO, KOYO, TIMKEN.
Цена от:1 214 р.
Цена на подшипник зависит от:
Габаритные размеры
Размеры и геометрические характеристики
Нагрузка и ресурс
Защита
Коэффициенты для расчета
Присоединительные размеры
Конструкция и исполнение