Главная > Подшипники> Роликовые > Радиально-упорные>15578/15523

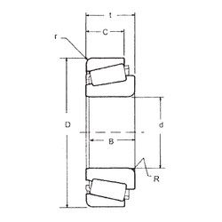
15578/15523 — Однорядный конический роликовый подшипник, импортное производство по ISO стандарту, размер 25x60x19 номер основного исполнения .
Производится брендами: CX, FBJ, ISO, TIMKEN.
Цена от:1 301 р.
Цена на подшипник зависит от:
Габаритные размеры
Размеры и геометрические характеристики
Нагрузка и ресурс
Защита
Коэффициенты для расчета
Присоединительные размеры
Конструкция и исполнение
Однорядный конический роликовый подшипник 1986/1931-B (TIMKEN)
Однорядный конический роликовый подшипник 1986/1931 (Fersa, TIMKEN)
Конический роликоподшипник 1994X/1931 (TIMKEN)
Конический роликоподшипник 4T-15578/15523 (NTN)
Конический роликоподшипник 4T-1986/1931 (NTN)
Конический роликоподшипник EC12890S01.H206 (SNR)