Главная > Подшипники> Роликовые > Радиально-упорные>15572/15520

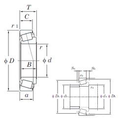
15572/15520 — Подшипник роликовый радиально-упорный, импортное производство по ISO стандарту, размер 22x62x17 номер основного исполнения .
Производитель: KOYO.
Цена по запросу
Цена на подшипник зависит от:
Габаритные размеры
Размеры и геометрические характеристики
Нагрузка и ресурс
Защита
Коэффициенты для расчета
Присоединительные размеры
Конструкция и исполнение
Радиальный шарикоподшипник 6305Z/22 (NTN)
Радиальный шарикоподшипник B22-19 (NSK)
Радиальный шарикоподшипник TMB305CLLA/22C3/L588Q2 (NTN)
Конический роликоподшипник 246X/242 (TIMKEN)