Главная > Подшипники> Роликовые > Радиально-упорные>15119/15245

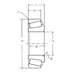
15119/15245 — Однорядный конический роликовый подшипник, импортное производство по ISO стандарту, размер 30x62x19 номер основного исполнения .
Производится брендами: CX, FBJ, ISO, KOYO, NIS, NSK, TIMKEN.
Цена от:1 084 р.
Цена на подшипник зависит от:
Габаритные размеры
Размеры и геометрические характеристики
Нагрузка и ресурс
Защита
Коэффициенты для расчета
Присоединительные размеры
Конструкция и исполнение
Прочие характеристики
Опорный ролик NA2206 2RS (INA, SKF)
Опорный ролик на основе роликоподшипника без фланцевого колеца, с внутренним кольцом NA2206 2RSX (INA, SKF)
Подшипник шариковый радиальный 80206 ЕС17 (ГПЗ-8)
Подшипник шариковый радиальный 80206 ЕУС17 (ГПЗ-8)
Подшипник роликовый радиально-упорный конический однорядный повышенной грузоподъемности 3007206А
Подшипник роликовый радиально-упорный конический однорядный повышенной грузоподъемности с упорным бортом на наружном кольце 3067206А