Главная > Подшипники> Роликовые > Радиально-упорные>15103S/15243/Q

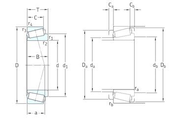
15103S/15243/Q — Конический роликоподшипник, импортное производство по ISO стандарту, размер 26x61x19 номер основного исполнения .
Производитель: SKF.
S1 = Кольца подшипника стабилизированы для рабочих температур до + 200 С.
Цена от:728 р.
Цена на подшипник зависит от:
Габаритные размеры
Размеры и геометрические характеристики
Нагрузка и ресурс
Защита
Коэффициенты для расчета
Присоединительные размеры
Конструкция и исполнение
Однорядный конический роликовый подшипник 15103-S/15243 (Fersa, ISB, TIMKEN)
Однорядный конический роликовый подшипник 15103/15243 (TIMKEN)
Конический роликоподшипник 15103S/243 (PFI)
Конический роликоподшипник 4T-15103S/15243 (NTN)