Главная > Подшипники> Роликовые > Радиально-упорные>15103/15250

15103/15250 — Подшипник роликовый радиально-упорный, импортное производство по ISO стандарту номер основного исполнения .
Производитель: KOYO.
Цена по запросу
Цена на подшипник зависит от:
Габаритные размеры
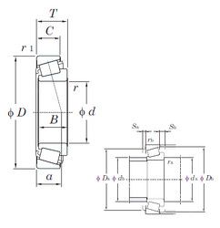
Размеры и геометрические характеристики
Нагрузка и ресурс
Защита
Коэффициенты для расчета
Присоединительные размеры
Конструкция и исполнение