Главная > Подшипники> Роликовые > Радиально-упорные>15102/15250X

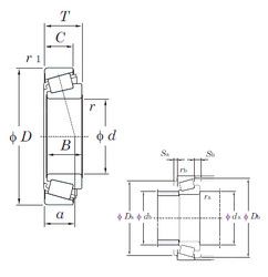
15102/15250X — Подшипник роликовый радиально-упорный, импортное производство по ISO стандарту, размер 25x62x20 номер основного исполнения .
Производитель: KOYO.
X = Внешние размеры, соответствующие международным стандартам.
Цена от:1 648 р.
Цена на подшипник зависит от:
Габаритные размеры
Размеры и геометрические характеристики
Нагрузка и ресурс
Защита
Коэффициенты для расчета
Присоединительные размеры
Конструкция и исполнение
Подшипник шариковый радиальный сферический двухрядный с закрепительной втулкой 11505 К (ГПЗ-8)
Подшипник шариковый двухрядный самоустанавливающийся 11505
Подшипник шариковый радиальный сферический двухрядный с закрепительной втулкой 2В0-11505 К (ГПЗ-8)
Подшипник шариковый радиально-упорный 326705 К (ГПЗ-1)
Подшипник роликовый радиально-упорный конический 67605А
Подшипник шарнирный без наружного кольца с отверстиями и канавками для смазки на внутреннем кольце ШС25ВК