Главная > Подшипники> Роликовые > Радиально-упорные>15101/15250X

15101/15250X — Однорядный конический роликовый подшипник, импортное производство по ISO стандарту, размер 25x63x20 номер основного исполнения .
Производится брендами: FBJ, Fersa, NACHI, TIMKEN.
X = Внешние размеры, соответствующие международным стандартам.
Цена от:1 041 р.
Цена на подшипник зависит от:
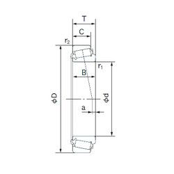
Габаритные размеры
Размеры и геометрические характеристики
Нагрузка и ресурс
Защита
Коэффициенты для расчета
Присоединительные размеры
Конструкция и исполнение
Однорядный конический роликовый подшипник 15100-S/15250X (TIMKEN)
Однорядный конический роликовый подшипник 15100/15250X (Fersa, KOYO, NACHI, NIS, NSK)
Однорядный конический роликовый подшипник 15101/15250 (CX, FBJ, Fersa, ISO, NACHI)
Конический роликоподшипник 15101/15250B (TIMKEN)
Однорядный конический роликовый подшипник 15102/15250 (TIMKEN)
Однорядный конический роликовый подшипник 23101X/23250X (TIMKEN)