Главная > Подшипники> Роликовые > Радиально-упорные>15101/15250R

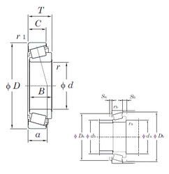
15101/15250R — Подшипник роликовый радиально-упорный, импортное производство по ISO стандарту, размер 25x63x19 номер основного исполнения .
Производитель: KOYO.
R = Наружное кольцо с фланцем .
Цена от:1 105 р.
Цена на подшипник зависит от:
Габаритные размеры
Размеры и геометрические характеристики
Нагрузка и ресурс
Защита
Коэффициенты для расчета
Присоединительные размеры
Конструкция и исполнение
Подшипник шариковый двухрядный самоустанавливающийся NMJ1 (RHP, SIGMA)
Однорядный цилиндрический роликовый подшипник MMRJ1 (RHP)
Однорядный цилиндрический роликовый подшипник MRJ1 (NIS, RHP, SIGMA)
Подшипник шариковый однорядный радиально-упорный MJT1 (NIS, RHP, SIGMA)
Подшипник шариковый с четырехточечным контактом QJM1 (RHP, SIGMA)
Конический роликоподшипник 15100/250 (PFI)