Главная > Подшипники> Роликовые > Радиально-упорные>15100/15245

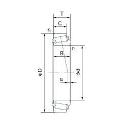
15100/15245 — Однорядный конический роликовый подшипник, импортное производство по ISO стандарту, размер 25x62x19 номер основного исполнения .
Производится брендами: CX, FBJ, Fersa, ISO, KOYO, NACHI, TIMKEN.
Цена от:694 р.
Цена на подшипник зависит от:
Габаритные размеры
Размеры и геометрические характеристики
Нагрузка и ресурс
Защита
Коэффициенты для расчета
Присоединительные размеры
Конструкция и исполнение
Радиальный шарикоподшипник 712151510 (INA)
Радиальный шарикоподшипник 800856CH49A (FAG)
Радиальный шарикоподшипник B25-147D (PFI)
Радиальный шарикоподшипник B25-147 (NSK)
Подшипник однорядный шариковый радиальный B25-147CMR (NSK)
Радиальный шарикоподшипник B25-147DDU8 (NSK)