Главная > Подшипники> Роликовые > Радиальные сферические>14MM2012

14MM2012 — Подшипник игольчатый радиальный, импортное производство по ISO стандарту, размер 14x20x12 номер основного исполнения .
Производитель: KOYO.
M = массивный латунный сепаратор.
Цена по запросу
Цена на подшипник зависит от:
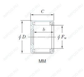
Габаритные размеры
Размеры и геометрические характеристики
Нагрузка и ресурс
Защита
Конструкция и исполнение
Другие размеры
Подшипник игольчатый радиальный CK142012E (EPK)
Подшипник роликовый игольчатый с наружным кольцом с плоским дном с сепаратором ВК142012
Подшипник радиальный роликовый игольчатый однорядный без колец К14X20X12
Подшипник роликовый игольчатый с наружным кольцом с профилированным дном без сепаратора НД142012
Подшипник роликовый игольчатый с наружным кольцом со сквозным отверстием без сепаратора НК142012
Подшипник роликовый игольчатый с наружным кольцом с профилированным дном без сепаратора СК142012