Главная > Подшипники> Роликовые > Радиально-упорные>14139/14274A

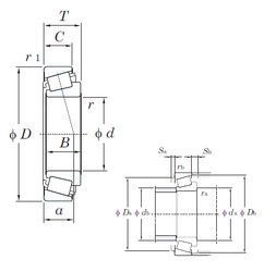
14139/14274A — Подшипник роликовый радиально-упорный, импортное производство по ISO стандарту, размер 34x69x19 номер основного исполнения .
Производитель: KOYO.
A = внутренняя модификация конструкции.
Цена от:398 р.
Цена на подшипник зависит от:
Габаритные размеры
Размеры и геометрические характеристики
Нагрузка и ресурс
Защита
Коэффициенты для расчета
Присоединительные размеры
Конструкция и исполнение
Однорядный конический роликовый подшипник 14137A/14276-B (TIMKEN)
Подшипник роликовый радиально-упорный 14138A/14274A (KOYO)
Однорядный конический роликовый подшипник 14138A/14274 (Fersa, NACHI, TIMKEN)
Однорядный конический роликовый подшипник 14138A/14276 (CX, FBJ, Fersa, ISO, KBC)
Однорядный конический роликовый подшипник 14137A/14274 (Fersa, NACHI, TIMKEN)
Подшипник роликовый радиально-упорный 14137A/14274A (KOYO)