Главная > Подшипники> Роликовые > Радиально-упорные>14138A/14277

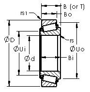
14138A/14277 — Однорядный конический роликовый подшипник, импортное производство по ISO стандарту, размер 34x69x22 номер основного исполнения .
Производится брендами: AST, TIMKEN.
A1 = Конический роликовый подшипник однорядный
Цена по запросу
Цена на подшипник зависит от:
Габаритные размеры
Размеры и геометрические характеристики
Защита
Присоединительные размеры
Конструкция и исполнение
Прочие характеристики