Главная > Подшипники> Роликовые > Радиально-упорные>14137A/14277

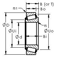
14137A/14277 — Конический роликоподшипник дюймовая серия, импортное производство по ISO стандарту, размер 34x69x22 номер основного исполнения .
Производитель: AST.
A1 = Конический роликовый подшипник однорядный
Цена от:393 р.
Цена на подшипник зависит от:
Габаритные размеры
Размеры и геометрические характеристики
Присоединительные размеры
Конструкция и исполнение
Прочие характеристики