Главная > Подшипники> Роликовые > Радиально-упорные>14136A/14276

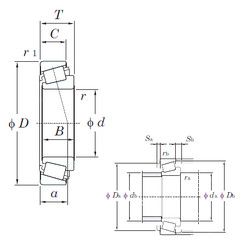
14136A/14276 — Подшипник роликовый радиально-упорный, импортное производство по ISO стандарту, размер 34x69x26 номер основного исполнения .
Производится брендами: Fersa, KOYO.
A1 = Конический роликовый подшипник однорядный
Цена по запросу
Цена на подшипник зависит от:
Габаритные размеры
Размеры и геометрические характеристики
Нагрузка и ресурс
Защита
Коэффициенты для расчета
Присоединительные размеры
Конструкция и исполнение