Главная > Подшипники> Роликовые > Радиально-упорные>14123A/14274

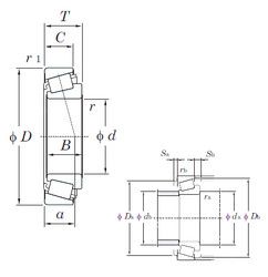
14123A/14274 — Подшипник роликовый радиально-упорный, импортное производство по ISO стандарту, размер 31x69x26 номер основного исполнения .
Производится брендами: KOYO, NIS, NSK.
A1 = Конический роликовый подшипник однорядный
Цена по запросу
Цена на подшипник зависит от:
Габаритные размеры
Размеры и геометрические характеристики
Нагрузка и ресурс
Защита
Коэффициенты для расчета
Присоединительные размеры
Конструкция и исполнение
Прочие характеристики
Подшипник роликовый радиально-упорный 14123AA/14276 (Fersa)
Подшипник роликовый радиально-упорный 14123AA/14274 (Fersa)