Главная > Подшипники> Роликовые > Радиально-упорные>14120A/14283

14120A/14283 — Подшипник роликовый радиально-упорный, импортное производство по ISO стандарту, размер 30x69x26 номер основного исполнения .
Производитель: KOYO.
A1 = Конический роликовый подшипник однорядный
Цена по запросу
Цена на подшипник зависит от:
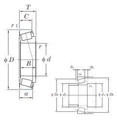
Габаритные размеры
Размеры и геометрические характеристики
Нагрузка и ресурс
Защита
Коэффициенты для расчета
Присоединительные размеры
Конструкция и исполнение