Главная > Подшипники> Роликовые > Радиально-упорные>13686/13621

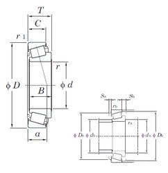
13686/13621 — Однорядный конический роликовый подшипник, импортное производство по ISO стандарту, размер 38x69x26 номер основного исполнения .
Производится брендами: KOYO, TIMKEN.
Цена от:867 р.
Цена на подшипник зависит от:
Габаритные размеры
Размеры и геометрические характеристики
Нагрузка и ресурс
Защита
Коэффициенты для расчета
Присоединительные размеры
Конструкция и исполнение