Главная > Подшипники> Шариковые> Радиальные сферические>1322K

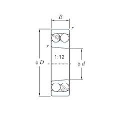
1322K — Подшипник шариковый двухрядный самоустанавливающийся, импортное производство по ISO стандарту, размер 110x240x50 номер основного исполнения 1322.
Производится брендами: CX, ISO, KOYO, NACHI, NIS, NSK.
К = Коническая посадка, конусность 1:12.
Цена от:15 238 р.
Цена на подшипник зависит от:
| Обозначение | Модификация |
|---|---|
| 1322S | S = смазочный паз и три отверстия в наружном кольце подшипника. |
| 1322-M | M = массивный латунный сепаратор. |
| 1322SK | SK = Толкатель клапана стержня, с шестиугольным гнездом. |
| 1322 KM | K = коническое отверстие, конус 1:12. М = Механически обработанный латунный сепаратор, центрируемый по роликам. |
| 1322K+H322 | K = коническое отверстие, конус 1:12. H = высокая, узкая каретка для двухрядного шарикоподшипника и направляющей в сборе. |
| 1322 K.M.C3 | M = Цельный латунный сепаратор, с шариковой направляющей. C3 = Радиальный внутренний зазор подшипника больше, чем обычно. |
| 1322 M (ISO) | S = смазочный паз и три отверстия в наружном кольце подшипника. |
| 1322 KM + H 322 | K = коническое отверстие, конус 1:12. М = Механически обработанный латунный сепаратор, центрируемый по роликам. |
| 1322-K-M-C3 + H322 | M = Цельный латунный сепаратор, с шариковой направляющей. C3 = Радиальный внутренний зазор подшипника больше, чем обычно. |
Габаритные размеры
Размеры и геометрические характеристики
Нагрузка и ресурс
Защита
Коэффициенты для расчета
Присоединительные размеры
Конструкция и исполнение
Прочие характеристики
Подшипник шариковый однорядный радиально-упорный 7322 (CYSD, FAG, KOYO, NACHI, NTN)
Подшипник роликовый сферический 21322 (NSK, NTN)
Однорядный цилиндрический роликовый подшипник NJ322 (CRAFT, CYSD, FAG, ISB, ISO)
Подшипник роликовый радиально-упорный 32322 (ГПЗ-1)
Подшипник шариковый радиальный однорядный 322
Подшипник шариковый радиальный сферический двухрядный с коническим отверстием внутреннего кольца 111322