Главная > Подшипники> Шариковые> Радиальные сферические>1321-M

1321-M — Подшипник шариковый двухрядный самоустанавливающийся, импортное производство по ISO стандарту, размер 105x225x49 номер основного исполнения 1321.
Производитель: FAG.
M = массивный латунный сепаратор.
Цена по запросу
Цена на подшипник зависит от:
| Обозначение | Модификация |
|---|---|
| 1321S | S = смазочный паз и три отверстия в наружном кольце подшипника. |
| 1321K | К = Коническая посадка, конусность 1:12. |
| 1321K+H321 | K = коническое отверстие, конус 1:12. Н321 = закрепительные втулки. |
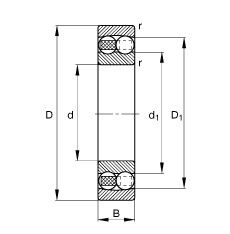
Габаритные размеры
Размеры и геометрические характеристики
Нагрузка и ресурс
Коэффициенты для расчета
Присоединительные размеры
Прочие характеристики
Подшипник шариковый однорядный радиально-упорный 7321 (CYSD, KOYO, NACHI, NTN, SKF)
Подшипник однорядный шариковый радиальный 6321 (AST, CRAFT, CX, CYSD, FAG)
Однорядный цилиндрический роликовый подшипник NJ321 (CYSD, FAG, ISB, ISO, KOYO)
Подшипник шариковый радиальный однорядный 321
Подшипник шариковый однорядный радиально-упорный 7321 BMP (FAG, SKF)
Однорядный цилиндрический роликовый подшипник N321 E.M1.C3 (FAG)