Главная > Подшипники> Роликовые > Радиально-упорные>13176D/13318+Y1S-13318

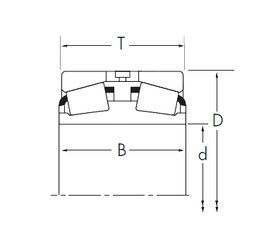
13176D/13318+Y1S-13318 — Конический роликоподшипник, импортное производство по ISO стандарту, размер 44x80x34 номер основного исполнения .
Производитель: TIMKEN.
D1 = (Смазка сегмента, код W33) = Смазочная канавка и три отверстия в наружном кольце подшипника. Начиная с = D320 Суффикс D1 не используется.
Цена по запросу
Цена на подшипник зависит от:
Габаритные размеры
Размеры и геометрические характеристики
Защита
Конструкция и исполнение