Главная > Подшипники> Шариковые> Радиальные сферические>1310-K-TVH-C3

1310-K-TVH-C3 — Подшипник шариковый радиально-сферический, импортное производство по ISO стандарту, размер 50x110x27 номер основного исполнения 1310.
Производитель: FAG.
K = коническое отверстие, конус 1:12. T = Литая защелкивающаяся сепаратор из армированного стекловолокном полиамида.
Цена от:1 794 р.
Цена на подшипник зависит от:
| Обозначение | Модификация |
|---|---|
| 1310 | Основное конструктивное исполнение. |
| 1310S | S = смазочный паз и три отверстия в наружном кольце подшипника. |
| 1310K | К = Коническая посадка, конусность 1:12. |
| 1310SK | S = смазочная канавка и три отверстия в наружном кольце подшипника. K = коническое отверстие, конус 1:12. |
| 1310G15 | G15 = Формованная литьевая клетка из армированного стекловолокном полиамида 6,6, с вращающимся элементом по центру. |
| 1310TVH | TV = Твердая клетка из армированного стекловолокном полиамида, шариковая езда. |
| 1310ETN9 | E = Оптимизированный внутренний дизайн. TN9 = литая защелкивающаяся клетка из полиамида 6,6, армированного стекловолокном, с шариковой центрировкой. |
| 1310 TN9 | TN = Полиамидная клетка. |
| 1310KG15 | G15 = Формованная литьевая клетка из армированного стекловолокном полиамида 6,6, с вращающимся элементом по центру. |
| 1310TV.C3 | TV = Твердая клетка из армированного стекловолокном полиамида, шариковая езда. C3 = Радиальный внутренний зазор больше, чем обычно. |
| 1310 KTN9 | K = коническое отверстие, конус 1:12. T = Литая защелкивающаяся сепаратор из армированного стекловолокном полиамида. |
| 1310TVH.C3 | C3 = Радиальный внутренний зазор больше нормального. |
| 1310 EKTN9 | E = Увеличенная грузоподъемность. K = коническое отверстие, конус 1:12. TN9 = литая защелкивающаяся клетка из полиамида 6,6, армированного стекловолокном, с шариковой центрировкой. |
| 1310ETN9.C3 | E = набор усиленных шаров. TN9 = литая защелкивающаяся клетка из упрочненного стекловолокном полиамида 66, сфокусированная на шарике. C3 = Радиальный внутренний зазор больше, чем обычно. |
| 1310K.TV.C3 | TV = Твердая клетка из армированного стекловолокном полиамида, шариковая езда. C3 = Радиальный внутренний зазор больше, чем обычно. |
| 1310 (1310) | |
| 1310-K+H310 | K = коническое отверстие, конус 1:12. H = высокая, узкая каретка для двухрядного шарикоподшипника и направляющей в сборе. |
| 1310EKTN9.C3 | E = Увеличенная грузоподъемность. K = коническое отверстие, конус 1:12. TN9 = литая защелкивающаяся клетка из полиамида 6,6, армированного стекловолокном, с шариковой центрировкой. |
| 1310 KTN9+H310 | K = коническое отверстие, конус 1:12. T = Литая защелкивающаяся сепаратор из армированного стекловолокном полиамида. |
| 1310-K-TVH-C3 + H310 | C3 = Радиальный внутренний зазор больше нормального. |
| Техника | Модель | Агрегат |
|---|---|---|
| Комбайн | Дон-1200 | Вариатор хода |
| Комбайн | Дон-1200 | Опоры блока ведущего вариатора хода |
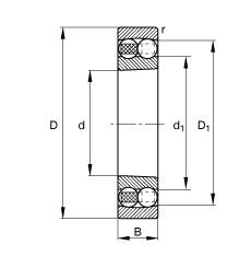
Габаритные размеры
Размеры и геометрические характеристики
Нагрузка и ресурс
Коэффициенты для расчета
Присоединительные размеры
Однорядный цилиндрический роликовый подшипник NU310 (CRAFT, FAG, FBJ, ISB, ISO)
Однорядный цилиндрический роликовый подшипник NJ310 (CRAFT, FAG, FBJ, ISB, ISO)
Подшипник шариковый радиальный 6-310 (ГПЗ-1)
Подшипник роликовый радиальный с короткими цилиндрическими роликами без бортов на наружном кольце 62310
Подшипник роликовый сферический 21310 (ISB, SKF)
Подшипник роликовый радиальный с короткими цилиндрическими роликами без бортов на наружном кольце 2310