Главная > Подшипники> Шариковые> Радиальные сферические>1308K+H308

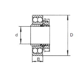
1308K+H308 — Подшипник шариковый двухрядный самоустанавливающийся, импортное производство по ISO стандарту, размер 40x90x23 номер основного исполнения 1308.
Производится брендами: CRAFT, CX, ISO, NKE.
K = коническое отверстие, конус 1:12. H = высокая, узкая каретка для двухрядного шарикоподшипника и направляющей в сборе.
Цена от:1 130 р.
Цена на подшипник зависит от:
| Обозначение | Модификация |
|---|---|
| 1308 | Основное конструктивное исполнение. |
| 1308K | К = Коническая посадка, конусность 1:12. |
| 1308S | S = смазочный паз и три отверстия в наружном кольце подшипника. |
| 1308SK | S = смазочная канавка и три отверстия в наружном кольце подшипника. K = коническое отверстие, конус 1:12. |
| 1308ETN9 | E = Оптимизированный внутренний дизайн. TN9 = литая защелкивающаяся клетка из полиамида 6,6, армированного стекловолокном, с шариковой центрировкой. |
| 1308 TN9 | TN = Полиамидная клетка. |
| 1308 TVH | TV = Твердая клетка из армированного стекловолокном полиамида, шариковая езда. |
| 1308EKTN9 | E = Увеличенная грузоподъемность. K = коническое отверстие, конус 1:12. TN9 = литая защелкивающаяся клетка из полиамида 6,6, армированного стекловолокном, с шариковой центрировкой. |
| 1308 KTN9 | K = коническое отверстие, конус 1:12. T = Литая защелкивающаяся сепаратор из армированного стекловолокном полиамида. |
| 1308 TV.C3 | TV = Твердая клетка из армированного стекловолокном полиамида, шариковая езда. C3 = Радиальный внутренний зазор больше, чем обычно. |
| 1308 TVH.C3 | C3 = Радиальный внутренний зазор больше нормального. |
| 1308 (1308) | |
| 1308 ETN9.C3 | E = набор усиленных шаров. TN9 = литая защелкивающаяся клетка из упрочненного стекловолокном полиамида 66, сфокусированная на шарике. C3 = Радиальный внутренний зазор больше, чем обычно. |
| 1308-K-TVH-C3 | C3 = Радиальный внутренний зазор больше нормального. |
| 1308 EKTN9.C3 | E = Увеличенная грузоподъемность. K = коническое отверстие, конус 1:12. TN9 = литая защелкивающаяся клетка из полиамида 6,6, армированного стекловолокном, с шариковой центрировкой. |
| 1308 K.TNG.C3 | K = Коническое отверстие, конус 1:12. TNG = Твердая клетка из армированного стекловолокном полиамида, шариковая езда. C3 = Радиальный внутренний зазор подшипника больше, чем обычно. |
| 1308EKTN9+H308 | E = Увеличенная грузоподъемность. K = коническое отверстие, конус 1:12. TN9 = литая защелкивающаяся клетка из полиамида 6,6, армированного стекловолокном, с шариковой центрировкой. |
| 1308 KTN9+H308 | K = коническое отверстие, конус 1:12. T = Литая защелкивающаяся сепаратор из армированного стекловолокном полиамида. |
| BB1-1308NRVBEF | Стопорное кольцо и проточка под него в наружном кольце подшипника. |
| BB1-1308NRVBEFMS | F = Механически обработанный сепаратор из стали или чугуна, центрируемый по телам качения. M = Механически обработанный латунный сепаратор, центрируемый по телам качения. |
| 1308-K-TVH-C3 + H308 | C3 = Радиальный внутренний зазор больше нормального. |
Габаритные размеры
Размеры и геометрические характеристики
Нагрузка и ресурс
Защита
Конструкция и исполнение
Однорядный цилиндрический роликовый подшипник NU308 (CRAFT, FAG, FBJ, ISB, ISO)
Однорядный цилиндрический роликовый подшипник NJ308 (CRAFT, CYSD, FAG, FBJ, ISB)
Подшипник шариковый радиальный 6-308
Подшипник шариковый радиальный 4-308 (ГПЗ-8)
Подшипник роликовый сферический 20308 (FAG, ISO, SIGMA)
Подшипник роликовый сферический 21308 (ISB, SKF)