Главная > Подшипники> Шариковые> Радиальные сферические>1305

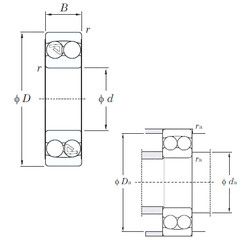
1305 — Подшипник шариковый двухрядный самоустанавливающийся, импортное производство по ISO стандарту, размер 25x62x17 основное исполнение.
Производится брендами: CRAFT, CX, ISO, KOYO, NACHI, NIS, NKE, NSK.
Цена от:809 р.
Цена на подшипник зависит от:
| Обозначение | Модификация |
|---|---|
| 1305K | К = Коническая посадка, конусность 1:12. |
| 1305S | S = смазочный паз и три отверстия в наружном кольце подшипника. |
| 1305SK | S = смазочная канавка и три отверстия в наружном кольце подшипника. K = коническое отверстие, конус 1:12. |
| 1305G15 | G15 = Формованная литьевая клетка из армированного стекловолокном полиамида 6,6, с вращающимся элементом по центру. |
| 1305-TVH | TV = Твердая клетка из армированного стекловолокном полиамида, шариковая езда. |
| 1305KG15 | G15 = Формованная литьевая клетка из армированного стекловолокном полиамида 6,6, с вращающимся элементом по центру. |
| 1305 TN9 | TN = Полиамидная клетка. |
| 1305ETN9 | E = Оптимизированный внутренний дизайн. TN9 = литая защелкивающаяся клетка из полиамида 6,6, армированного стекловолокном, с шариковой центрировкой. |
| 1305 KTN9 | K = коническое отверстие, конус 1:12. T = Литая защелкивающаяся сепаратор из армированного стекловолокном полиамида. |
| 1305EKTN9 | E = Увеличенная грузоподъемность. K = коническое отверстие, конус 1:12. TN9 = литая защелкивающаяся клетка из полиамида 6,6, армированного стекловолокном, с шариковой центрировкой. |
| 1305K+H305 | K = коническое отверстие, конус 1:12. H = высокая, узкая каретка для двухрядного шарикоподшипника и направляющей в сборе. |
| 1305 (1305) | |
| 1305-K-TVH-C3 | C3 = Радиальный внутренний зазор больше нормального. |
| 1305 KTN9+H305 | K = коническое отверстие, конус 1:12. T = Литая защелкивающаяся сепаратор из армированного стекловолокном полиамида. |
| 1305-K-TVH-C3 + H305 | C3 = Радиальный внутренний зазор больше нормального. |
| Техника | Модель | Агрегат |
|---|---|---|
| Платформа-подборщик копнитель | ПК-1.6А | Транспортер/вал верхний |
Габаритные размеры
Размеры и геометрические характеристики
Нагрузка и ресурс
Защита
Коэффициенты для расчета
Присоединительные размеры
Конструкция и исполнение
Прочие характеристики
Однорядный цилиндрический роликовый подшипник NU305 (CRAFT, FAG, FBJ, ISB, ISO)
Однорядный цилиндрический роликовый подшипник NJ305 (CRAFT, FAG, FBJ, ISB, ISO)
Подшипник шариковый радиальный 6-305
Подшипник шариковый радиальный 4-305 (ГПЗ-1)
Подшипник роликовый сферический 21305 (ISB, NSK)
Подшипник шариковый радиальный однорядный с двухсторонним уплотнением 180305