Главная > Подшипники> Шариковые> Радиальные сферические>13036

13036 — Самоустанавливающийся шарикоподшипник, импортное производство по ISO стандарту, размер 180x280x74 основное исполнение.
Производитель: SKF.
Цена по запросу
Цена на подшипник зависит от:
Габаритные размеры
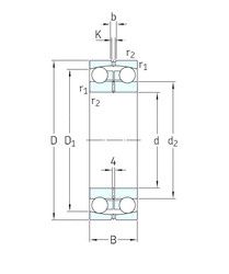
Размеры и геометрические характеристики
Нагрузка и ресурс
Защита
Коэффициенты для расчета
Присоединительные размеры
Конструкция и исполнение
Другие размеры
Подшипник роликовый сферический 23036 (FBJ, ISB, SKF)
Подшипник роликовый цилиндрический двухрядный NN3036 (CX, FAG, ISO, KOYO, NACHI)
Подшипник роликовый радиальный двухрядный с короткими цилиндрическими роликами с коническим отверстием внутреннего кольца с бортами на внутреннем кольце 3182136
Подшипник роликовый сферический 23036 CC.C3W33 (SKF)
Подшипник роликовый сферический 23036 CCK.C3W33 (SKF)
Подшипник роликовый сферический 23036 E1A.K.M (FAG, SKF)