Главная > Подшипники> Шариковые> Радиальные сферические>1303-TVH

1303-TVH — Подшипник шариковый радиально-сферический, импортное производство по ISO стандарту, размер 17x47x14 номер основного исполнения 1303.
Производитель: FAG.
TV = Твердая клетка из армированного стекловолокном полиамида, шариковая езда.
Цена от:396 р.
Цена на подшипник зависит от:
| Обозначение | Модификация |
|---|---|
| 1303 | Основное конструктивное исполнение. |
| 1303S | S = смазочный паз и три отверстия в наружном кольце подшипника. |
| 1303G14 | 3G = G = Втулки подшипника с возможностью смазки. |
| 1303 TN9 | TN = Полиамидная клетка. |
| 1303 ETN9 | E = Оптимизированный внутренний дизайн. TN9 = литая защелкивающаяся клетка из полиамида 6,6, армированного стекловолокном, с шариковой центрировкой. |
| 1303 (1303) |
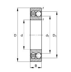
Габаритные размеры
Размеры и геометрические характеристики
Нагрузка и ресурс
Коэффициенты для расчета
Присоединительные размеры
Подшипник шариковый радиально-упорный 7-303 (ГПЗ-4)
Однорядный цилиндрический роликовый подшипник NU303 (CYSD, ISB, ISO, NIS, NKE)
Однорядный цилиндрический роликовый подшипник NJ303 (CYSD, FAG, ISB, ISO, NIS)
Подшипник шариковый радиальный 6-303 (ГПЗ-23)
Подшипник роликовый упорный 4-303 (ГПЗ-4)
Подшипник шариковый радиальный однорядный 303