Главная > Подшипники> Роликовые > Радиальные сферические>12MM1812

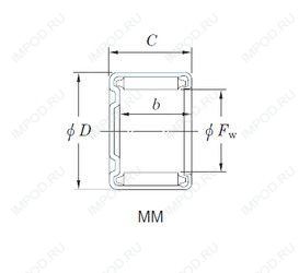
12MM1812 — Подшипник игольчатый радиальный, импортное производство по ISO стандарту, размер 12x18x12 номер основного исполнения .
Производитель: KOYO.
M = массивный латунный сепаратор.
Цена по запросу
Цена на подшипник зависит от:
Габаритные размеры
Размеры и геометрические характеристики
Нагрузка и ресурс
Защита
Конструкция и исполнение
Другие размеры
Подшипник роликовый игольчатый 134901 Е
Подшипник игольчатый радиальный 134901E (EPK)
Подшипник роликовый игольчатый 134901 Д
Подшипник игольчатый радиальный CK121812E (EPK)
Подшипник роликовый игольчатый с наружным кольцом с плоским дном с сепаратором ВК121812
Подшипник роликовый игольчатый с наружным кольцом с профилированным дном без сепаратора НД121812