Главная > Подшипники> Шариковые> Радиальные сферические>1217K

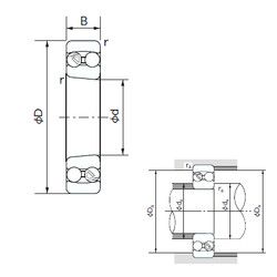
1217K — Подшипник шариковый двухрядный самоустанавливающийся, импортное производство по ISO стандарту, размер 85x150x28 номер основного исполнения 1217.
Производится брендами: CX, ISB, ISO, KOYO, NACHI, NIS, NKE, NSK, SKF, SNR.
К = Коническая посадка, конусность 1:12.
Цена от:1 661 р.
Цена на подшипник зависит от:
| Обозначение | Модификация |
|---|---|
| 1217 | Основное конструктивное исполнение. |
| 1217S | S = смазочный паз и три отверстия в наружном кольце подшипника. |
| 1217SK | S = смазочная канавка и три отверстия в наружном кольце подшипника. K = коническое отверстие, конус 1:12. |
| 1217 C3 | C3 = Радиальный внутренний зазор больше нормального. |
| 1217 TVH | TV = Твердая клетка из армированного стекловолокном полиамида, шариковая езда. |
| 1217 K.C3 | K = коническое отверстие, конус 1:12. C3 = Радиальный внутренний зазор подшипника больше, чем обычно. |
| 1217 TVH.C3 | C3 = Радиальный внутренний зазор больше нормального. |
| 1217-K+H217 | K = коническое отверстие, конус 1:12. H = высокая, узкая каретка для двухрядного шарикоподшипника и направляющей в сборе. |
| 1217 K.TVH.C3 | C3 = Радиальный внутренний зазор больше нормального. |
| 1217-K-TVH-C3 + H217 | C3 = Радиальный внутренний зазор больше нормального. |
Габаритные размеры
Размеры и геометрические характеристики
Нагрузка и ресурс
Защита
Коэффициенты для расчета
Присоединительные размеры
Конструкция и исполнение
Прочие характеристики
Однорядный цилиндрический роликовый подшипник NJ217 (CRAFT, FAG, FBJ, ISB, ISO)
Однорядный цилиндрический роликовый подшипник NU217 (CRAFT, FBJ, ISB, ISO, KOYO)
Подшипник шариковый радиальный 6-217
Подшипник роликовый сферический 20217 (FAG, ISO)
Подшипник шариковый радиальный однорядный 217