Главная > Подшипники> Шариковые> Радиальные сферические>11308

11308 — Подшипник шариковый двухрядный самоустанавливающийся, импортное производство по ISO стандарту, размер 40x90x23 основное исполнение.
Производится брендами: CX, ISO, KOYO, NKE.
Цена от:1 020 р.
Цена на подшипник зависит от:
| Обозначение | Модификация |
|---|---|
| 11308G15 | G15 = Формованная литьевая клетка из армированного стекловолокном полиамида 6,6, с вращающимся элементом по центру. |
| Техника | Модель | Агрегат |
|---|---|---|
| Приставка кукурузоуборочная | ППК-4 | Аппарат режущий |
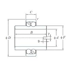
Габаритные размеры
Размеры и геометрические характеристики
Нагрузка и ресурс
Защита
Коэффициенты для расчета
Присоединительные размеры
Конструкция и исполнение
Другие размеры
Однорядный цилиндрический роликовый подшипник NU308 (CRAFT, FAG, FBJ, ISB, ISO)
Однорядный цилиндрический роликовый подшипник NJ308 (CRAFT, CYSD, FAG, FBJ, ISB)
Подшипник шариковый радиальный 6-308
Подшипник шариковый радиальный 4-308 (ГПЗ-8)
Подшипник роликовый сферический 20308 (FAG, ISO, SIGMA)
Подшипник роликовый сферический 21308 (ISB, SKF)