Главная > Подшипники> Роликовые > Радиально-упорные>11165XSR/11300

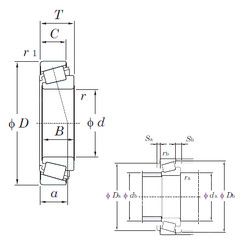
11165XSR/11300 — Подшипник роликовый радиально-упорный, импортное производство по ISO стандарту, размер 42x80x17 номер основного исполнения .
Производитель: KOYO.
S = смазочный паз и три отверстия в наружном кольце подшипника.
Цена по запросу
Цена на подшипник зависит от:
Габаритные размеры
Размеры и геометрические характеристики
Нагрузка и ресурс
Защита
Коэффициенты для расчета
Присоединительные размеры
Конструкция и исполнение