Главная > Подшипники> Роликовые > Радиально-упорные>11163R/11300

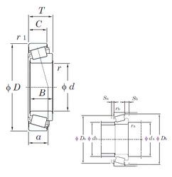
11163R/11300 — Подшипник роликовый радиально-упорный, импортное производство по ISO стандарту, размер 41x80x17 номер основного исполнения .
Производитель: KOYO.
R = Наружное кольцо с фланцем .
Цена по запросу
Цена на подшипник зависит от:
Габаритные размеры
Размеры и геометрические характеристики
Нагрузка и ресурс
Защита
Коэффициенты для расчета
Присоединительные размеры
Конструкция и исполнение
Радиальный шарикоподшипник DG4180 (KOYO)
Подшипник роликовый радиально-упорный 11162UR/11300 (KOYO)