Главная > Подшипники> Роликовые > Радиально-упорные>11162/11315

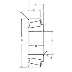
11162/11315 — Подшипник роликовый радиально-упорный, импортное производство по ISO стандарту, размер 41x80x18 номер основного исполнения .
Производится брендами: CX, FBJ, ISO, TIMKEN.
Цена от:910 р.
Цена на подшипник зависит от:
Габаритные размеры
Размеры и геометрические характеристики
Нагрузка и ресурс
Защита
Коэффициенты для расчета
Присоединительные размеры
Конструкция и исполнение