Главная > Подшипники> Роликовые > Радиально-упорные>10079/560 М

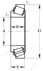
10079/560 М — Подшипник роликовый радиально-упорный, отечественное производство по ГОСТ стандарту, размер 560x750x85 номер основного исполнения .
М = Модернизированная конструкция.
Цена по запросу
Цена на подшипник зависит от:
Габаритные размеры
Размеры и геометрические характеристики
Нагрузка и ресурс
Защита
Конструкция и исполнение
Подшипник роликовый радиально-упорный 10079/560КМ
Подшипник роликовый радиально-упорный 10079/560ЛМ
Подшипник роликовый радиально-упорный 10079/560
Подшипник роликовый радиально-упорный 10979/560КМ
Подшипник шариковый упорный 71682/560 Г (ГПЗ-1)
Подшипник роликовый упорный 2-76692/560 (ГПЗ-1)