Главная > Подшипники> Роликовые > Радиально-упорные>09099X/09196

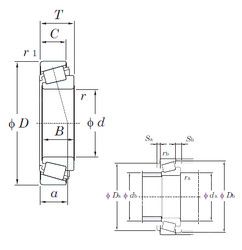
09099X/09196 — Подшипник роликовый радиально-упорный, импортное производство по ISO стандарту, размер 17x51x21 номер основного исполнения .
Производитель: KOYO.
X = Внешние размеры, соответствующие международным стандартам.
Цена по запросу
Цена на подшипник зависит от:
Габаритные размеры
Размеры и геометрические характеристики
Нагрузка и ресурс
Защита
Коэффициенты для расчета
Присоединительные размеры
Конструкция и исполнение