Главная > Подшипники> Роликовые > Радиально-упорные>09074/09196

09074/09196 — Однорядный конический роликовый подшипник, импортное производство по ISO стандарту, размер 19x49x23 номер основного исполнения .
Производится брендами: Fersa, NACHI, TIMKEN.
Цена от:998 р.
Цена на подшипник зависит от:
Габаритные размеры
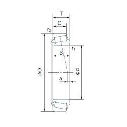
Размеры и геометрические характеристики
Нагрузка и ресурс
Защита
Коэффициенты для расчета
Присоединительные размеры
Конструкция и исполнение
Однорядный конический роликовый подшипник 09074/09194 (Fersa, KOYO, NACHI, NIS, NSK)
Конический роликоподшипник 09078/09194 (NACHI, TIMKEN)
Однорядный конический роликовый подшипник 09078/09196 (NACHI, TIMKEN)
Конический роликоподшипник 4T-09074/09196 (NTN)
Конический роликоподшипник 4T-09074/09194 (NTN)
Конический роликоподшипник дюймовая серия 9067/9194 (AST)