Главная > Подшипники> Роликовые > Радиально-упорные>09070/09196

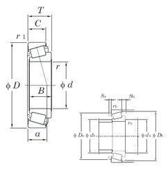
09070/09196 — Конический роликоподшипник, импортное производство по ISO стандарту, размер 17x51x21 номер основного исполнения .
Производитель: KOYO.
Цена по запросу
Цена на подшипник зависит от:
Габаритные размеры
Размеры и геометрические характеристики
Нагрузка и ресурс
Защита
Коэффициенты для расчета
Присоединительные размеры
Конструкция и исполнение