Главная > Подшипники> Роликовые > Радиально-упорные>07100S/7204

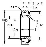
07100S/7204 — Конический роликоподшипник дюймовая серия, импортное производство по ISO стандарту, размер 25x52x15 номер основного исполнения .
Производитель: AST.
S = смазочный паз и три отверстия в наружном кольце подшипника.
Цена от:524 р.
Цена на подшипник зависит от:
Габаритные размеры
Размеры и геометрические характеристики
Присоединительные размеры
Конструкция и исполнение
Прочие характеристики
Однорядный цилиндрический роликовый подшипник NJ205 (CRAFT, FAG, FBJ, ISB, ISO)
Однорядный цилиндрический роликовый подшипник NU205 (CRAFT, FBJ, IBC, ISB, ISO)
Подшипник шариковый радиальный 6-205
Подшипник шариковый радиальный 4-205 (ГПЗ-4)
Подшипник роликовый сферический 20205 (FAG, ISO, SIGMA)