Главная > Подшипники> Роликовые > Радиально-упорные>07087/07204

07087/07204 — Однорядный конический роликовый подшипник, импортное производство по ISO стандарту, размер 22x51x15 номер основного исполнения .
Производится брендами: Fersa, NACHI, TIMKEN.
Цена от:954 р.
Цена на подшипник зависит от:
Габаритные размеры
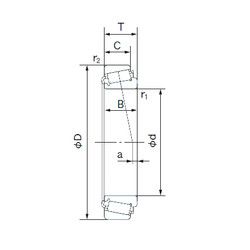
Размеры и геометрические характеристики
Нагрузка и ресурс
Защита
Коэффициенты для расчета
Присоединительные размеры
Конструкция и исполнение
Подшипник роликовый радиально-упорный 07087X/07204 (Fersa)
Конический роликоподшипник 4T-07087/07204 (NTN)
Конический роликоподшипник K-LM12749/K-LM12712B (ZVL)