Главная > Подшипники> Роликовые > Радиально-упорные>05062/05185

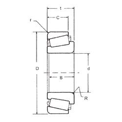
05062/05185 — Однорядный конический роликовый подшипник, импортное производство по ISO стандарту, размер 15x47x14 номер основного исполнения .
Производится брендами: CX, FBJ, ISO, TIMKEN.
Цена от:1 735 р.
Цена на подшипник зависит от:
Габаритные размеры
Размеры и геометрические характеристики
Нагрузка и ресурс
Защита
Коэффициенты для расчета
Присоединительные размеры
Конструкция и исполнение
Подшипник шариковый радиальный 10-3031 (CYSD)
Подшипник однорядный шариковый радиальный 6303/15-2RS (Fersa)
Подшипник шариковый радиальный 6303/15 (Fersa)
Радиальный шарикоподшипник B15-86AT1X (NSK)
Радиальный шарикоподшипник B15-86D (PFI)
Подшипник шариковый радиальный AT303/15DD (KBC)